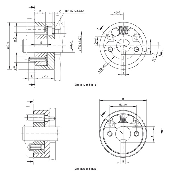
Irreversible Locks

Login

Contact us


 



RINGSPANN Power Transmission (Tianjin) Co., Ltd.

No. 21 Gaoyan Rd. Binhai Science and Technology Park Binhai Hi-Tech Industrial Development Area

Tianjin, 300458



+86 22 59 80 31 60

 

info.cn@ringspann.cn

 

www.ringspann.cn

*

 

 

* *

 

*

 

 

*

250 / 250 characters

 

I accept the privacy policy *

By accepting the box you agree to receive information about our company and our news (products, catalogs ...).


 I am not a robot

 


* The fields marked with a star are required fields.